Usměrňovače
Můstkový usměrňovač
Usměrňovací můstek je elektrické zařízení, soustava čtyř a více diod v můstkovém obvodu, které vytváří výstup stejné polarity pro jakoukoliv polaritu vstupu. V nejběžnější aplikaci se můstkové usměrňovače používají k převádění střídavého proudu na stejnosměrný proud.

Jednocestný usměrňovač
Je to nejjednodušší zapojení usměrňovače, kdy v sérii se zátěží je zapojena jedna výkonová polovodičová součástka – dioda.


Dvoucestný usměrňovač
Je to zapojení usměrňovače, který využívá obou půlvln vstupního napětí. K usměrnění se používá buď zapojení s půleným vinutím napájecího transformátoru a dvěma diodami, nebo s můstkovým usměrňovačem.
Používá se především u zařízení s vyššími nároky na odběr proudu. Úbytek napětí, který vznikne na diodách, je buď 0,7V (u zapojení s půleným vinutím napájecího transformátoru), nebo 1,4V (u zapojení s můstkovým usměrňovačem). Obvodem bude protékat stejnosměrný proud o kmitočtu 100Hz.


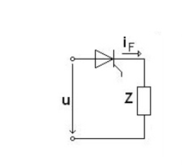
Jednofázový můstkový usměrňovač
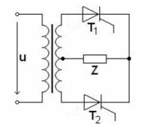
Vstupní napětí je připojeno mezi svorku označenou jako L123 a spodní části obvodu. Jsou zde dvě tyristory zapojené v antiparalelním zapojení.

Třífázový můstkový usměrňovač
Trojpulzní usměrňovač (tzv. trojpulzní uzlové zapojení) je v praxi napájen z trojfázového transformátoru, jehož primární vinutí může být zapojeno buď do hvězdy, nebo do trojúhelníka. Sekundární vinutí je vždy zapojeno do hvězdy se středním vývodem.
